依愛技術資料
聯系我們
- 聯系人:郭經理
- 傳真:010-69552656
- 電話:400-0346-119
- 電話:010-57491119
- 郵箱:506665119@qq.com
- 地址:北京通州區M5運河1號3號樓403室
依愛J-EI6043型輸入/輸出模塊
時間:2018-10-18 13:06:08 品牌:
![[!--oldtitle--]](/d/file/baojingshebei/2018-10-18/b973e5e03c52795a718c95f403538281.jpg)
電子編碼,唯一ID,控制器在線編址或編碼器設地址,自動登錄,安裝調試方便。
輸入、輸出端口可單獨編程,分別使用,亦可組合使用。
可檢測設備側信號輸入線及輸出線斷路故障。
可檢測24V斷線故障。
新型插拔式結構,安裝、接線方便。
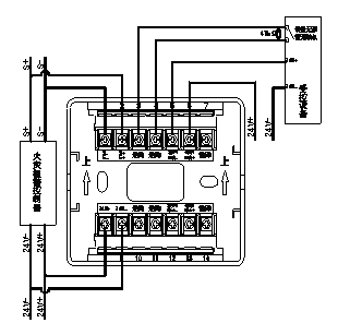
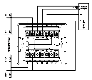
二、J-EI6043輸入/輸出模塊外形及安裝尺寸
| 型號 | J-EI6043 |
| 使用環境溫度 | 10C +50C |
| 使用環境濕度 | <95RH(不凝露) |
| 總線工作電壓 | 24V脈動電壓 |
| 線 制 |
兩總線(無極性) DC 24V電源(有極性) |
| 24V 電源 | DC 24V1015 |
| 監視電流 | <0.35mA(總線);<1.0mA(DC24V) |
| 總線長度 | ≤2000m |
| 動作電流 | <1.5mA(總線);<25mA(DC24V) |
| 負載電阻 | 1/4W 47k (白色套管) |
| 繼電器觸點 | 一組常開常閉, DC30V/5A |
| 外殼防護等級 | IP30 |
安裝
輸入/輸出模塊一般安裝在受控設備附近,也可集中安裝于模塊箱內。
安裝模塊時,先用M4螺釘將底座固定在DH86預埋盒上,接線完畢后,將模塊扣合在底座上。
接線
不可直接控制交流強電,應通過中間繼電器轉換!
模塊的“返回”端應接設備的無源觸點,不能接有源信號!
S+和S-接系統總線,無極性連接。“常開1”、“公共1”和“常閉1”對應內部繼電器的一組觸點;接線示意圖為a.若在底座上將24V+與公共端短接,則為有源輸出,接線示意圖為b.
“返回1”應并接47kΩ負載電阻,若返回端需連接外部設備,則將相應的負載電阻移至外部設備處并接。請勿控制聲光和警鈴。









